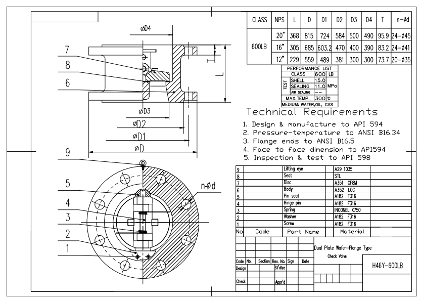
20 "600lb tấm wafer kiểm tra Van LCC API594
20 "600lb tấm wafer kiểm tra Van LCC API594

20 "600lb tấm wafer kiểm tra Van LCC API594

Dervos cung cấp một van kiểm tra wafer cao cấp được thiết kế cho các ứng dụng công nghiệp yêu cầu. Được thực hiện bởi A352 LCC, 20 "600lb, 20 "600lb Van kiểm tra tấm wafer tấm kép Có các đặc điểm cấu trúc của tấm kép.

  • VAN :

    Van kiểm tra wafer
  • Vật liệu cơ thể :

    A352 LCC
  • Kích thước van :

    20"
  • Tiêu chuẩn thiết kế :

    API 594
  • SỰ LIÊN QUAN :

    SỰ LIÊN QUAN
  • Max.Temp. :

    300â ° C.
  • Chi tiết sản phẩm

 

Van kiểm tra wafer tấm kép Vẽ kỹ thuật

 

Các tính năng chính:

  1. Van kiểm tra tấm wafer kép 20 "600lb có thiết kế cơ thể LCC nhỏ gọn cung cấp sức mạnh tuyệt vời và khả năng chống ăn mòn trong điều kiện áp suất cao.
  2. Tuân thủ tiêu chuẩn API 594, van này đảm bảo phòng ngừa dòng chảy đáng tin cậy với kết nối wafer tiết kiệm không gian để cài đặt đường ống dễ dàng.

Thân van

A352 LCC

Đĩa

API 594

Loại kết nối

RF mặt bích đôi

Mặt đối mặt kích thước

API 594

Mặt bích mờ

ANSI B16.5

Kiểm tra tiêu chuẩn

API 598

Nhiệt độ áp suất

ANSI B16.34

để lại lời nhắn

Nếu bạn quan tâm đến các sản phẩm của chúng tôi và muốn biết thêm chi tiết, vui lòng để lại tin nhắn ở đây, chúng tôi sẽ trả lời bạn ngay khi có thể.
Thể loại

Nhận cập nhật hàng ngày Chúng tôi sẽ không bao giờ chia sẻ địa chỉ email của bạn với bên thứ ba.

để lại lời nhắn
Nếu bạn quan tâm đến các sản phẩm của chúng tôi và muốn biết thêm chi tiết, vui lòng để lại tin nhắn ở đây, chúng tôi sẽ trả lời bạn ngay khi có thể.