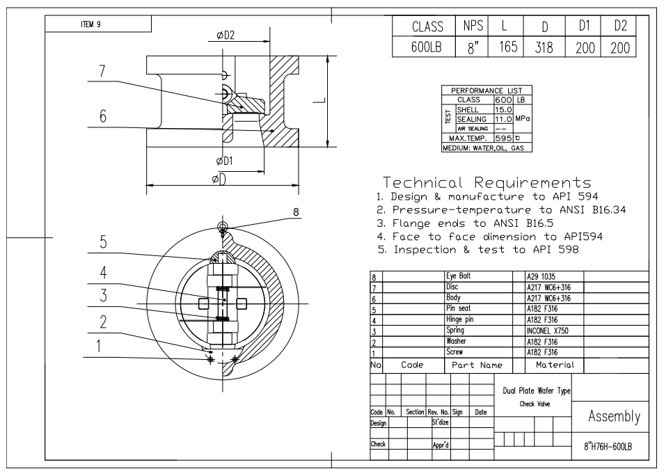
Thân van
|
A217 WC6+316
|
Đĩa
|
API 594
|
Loại kết nối
|
Loại RF Wafer
|
Mặt đối mặt kích thước
|
API 594
|
Mặt bích mờ
|
ANSI B16.5
|
Kiểm tra tiêu chuẩn
|
API 598
|
Nhiệt độ áp suất
|
ANSI B16.34
|
Van kiểm tra wafer tấm kép
Vẽ kỹ thuật

Các tính năng chính:
1. Van kiểm tra loại wafer kép 8 "600lb cung cấp phòng ngừa dòng chảy hiệu suất cao với thiết kế mạnh mẽ, phù hợp cho các hệ thống áp suất cao.
2. Được thiết kế để đáp ứng các tiêu chuẩn API 594, van kiểm tra kiểu wafer này đảm bảo cài đặt nhỏ gọn và hoạt động đáng tin cậy trong điều kiện thách thức.