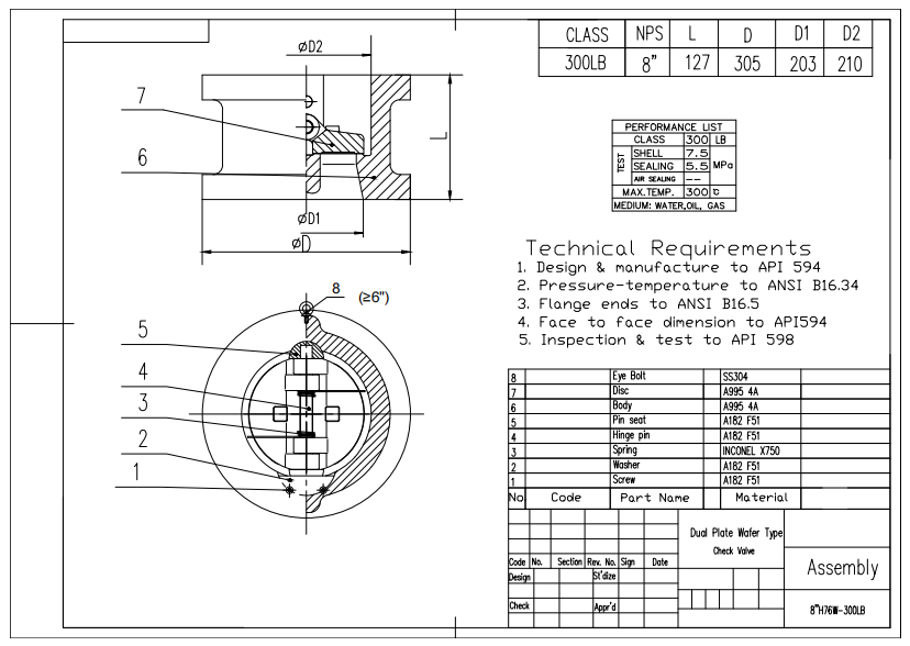
Thân van
|
A995 4A
|
Đĩa
|
API 594
|
Loại kết nối
|
Wafer rf
|
Mặt đối mặt kích thước
|
API 594
|
Mặt bích mờ
|
ANSI B16.5
|
Kiểm tra tiêu chuẩn
|
API 598
|
Nhiệt độ áp suất
|
ANSI B16.34
|
Van kiểm tra wafer tấm kép
Vẽ kỹ thuật

Các tính năng chính:
1. Được sản xuất từ thép không gỉ song công A995 Lớp 4A, van kiểm tra 8 "này cung cấp sức mạnh cơ học và khả năng chống ăn mòn tuyệt vời.
2. Được thiết kế theo tiêu chuẩn API 594, cấu trúc wafer tấm kép cho phép cài đặt nhỏ gọn và hiệu suất không trả lại đáng tin cậy dưới áp suất 300lb.